泊头市王朝泵业有限公司
固定电话:0317-8316660
移动手机:13703335150
联系人:刘经理
网址:www.btdpby.com
地址:河北省泊头市泊镇东庄村西

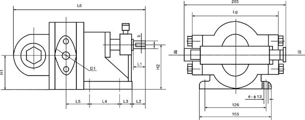
CLB型沥青泵为旋转式,主要由泵体、机座、主动齿轮、从动齿轮和 阀体等组成。主动轴由一个附加的含油轴套支撑,通过油杯补充HG-24号饱和汽缸油润滑。泵的两侧装有带圆锥管螺纹的连接头以便连接进口管道位,该圆锥销制有内螺纹以便于拆卸。其密封纸垫还用以调整齿轮的轴向间隙,该间隙规定为单向在0.05-0.08mm之间。
工作时,介质进入吸液腔,通过齿轮的旋转将介质压入排液腔并流出。调节手轮可以改变输出流量,当向右旋转手轮, 阀被顶开,泵即失去输出压力而停止排液;当向左旋转手轮, 阀即恢复作用,介质正常输出。
主要用于抽吸、输送和喷布高温的沥青(渣油)液体, 适用于道路和广场等建筑工程的沥青(渣油)喷布作业,也可在常温下用于抽吸、输送非高挥发性、低闪点的石油产品,如各种机油、机械油及重油等。

